產品介紹
海藍機電專業銷售三菱原裝PLC,三菱原裝PLC模塊,價格優惠,大量現貨!AJ65SBTB1-16T1三菱CCLINK模塊|AJ65SBTB1-16T1使用手冊|使用方法|面價|接線圖,服務熱線:400-8819-130、0755-88356415。
三菱CCLINK模塊AJ65SBTB1-16T1參數說明:晶體管漏型輸出16點、DC12V/24V 0.5A/1點 3.6A/1公共端、1.5ms響應、16點1公共端、1線式端子排型低漏電流。
三菱CCLINK模塊AJ65SBTB1-16T1價格:(面價)
三菱CCLINK模塊AJ65SBTB1-16T1產品規格說明:
【輸出點數】:16點
【絕緣方式】:光耦合器絕緣
【額定負荷電壓】:DC12/24V
【使用負荷電壓范圍】: DC10.2~26.4V(波動率5%以內)
【負荷電流】:0.5A/1點,3.6A/1公共端
【突入電流】:1.0mA 10ms以下
【OFF時泄漏電流】:0.1mA以下
【ON時電壓降】:0.3V以下(TYP)0.5A 0.6V以下(MAX) 0.5A
【輸出形式】:漏型
【保護功能】:無
【響應時間】:
OFF->ON:0.5ms以下
ON->OFF:1.5ms以下(電阻負荷)
【輸出部分外部供給電源】:
電壓:DC10.2~26.4V (波動率5%以內)
電流:30mA(TYP.DC24V/1公共端)不包含外部負荷電流
【過電流抑制器】:齊納二極管
【公共端方式】:16點1公共端(端子排型1線式)
【占用站數】:1站 分配32點(使用16點)
【I/O模塊電源】:
電壓:DC20.4~26.4V(波動率5%以內)
電流:50mA以下((DC24V,全部點ON時)
【噪聲強度】:由模擬噪聲1500VP-P、噪聲寬度1μs、噪聲頻率25~60Hz的噪聲模擬器所產生的噪聲
【耐電壓】:DC外部端子匯總-接地間AC500V 1分鐘期間
【絕緣電阻】: DC外部端子匯總-接地間 DC500V 絕緣電阻計測量1OMΩ以上
【保護等級】:IP2X
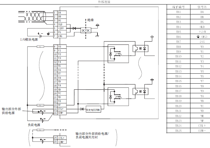
【外部連接方式】:
通信部分、I/O模塊電源部分:
7點2段端子排[傳送回路、I/O模塊電源、FG]
M3*5.2扭緊力矩59~88N·cm適用壓裝端子的插入個數為2個以內
輸入輸出電源部、輸入輸出部分:
18點直接安裝端子排[輸入輸出電源、I/O信號]
M3*5.2扭緊力矩59~88N·cm適用壓裝端子的插入個數為2個以內
【模塊安裝螺栓】:
帶平墊圈磨圓M4螺栓(扭緊力矩范圍79~108N·cm)
可以通過DIN軌安裝,可以6方向安裝
【適用DIN軌】:TH35-7.5Fe、TH35-7.5A1(基于JIS C 2812標準)
【適用壓裝端子】:
1、RAV1.25-3(基于JIS C 2805標準)[適用電線尺寸:0.3~1.25mm2]
2、V2-MS3(日本壓裝端子制造(株))、RAP2-3SL(日本端子(株))、TGV2-3N((株)Nichifu) [適用電線尺寸:1. 25~2.0mm2]
【重量】:0. 18kg
三菱CCLINK模塊AJ65SBTB1-16T1外部連接圖

三菱CCLINK模塊AJ65SBTB1-16T1用戶手冊 使用手冊 操作手冊 操作說明書
我們的優勢:
【A】:10多年專注三菱原裝工控領域,專業代理原裝三菱plc、三菱變頻器、三菱伺服電機、三菱觸摸屏、三菱減速機、三菱機器人等原裝進口自動化產品,備有各類現貨庫存高達2000多種,100%原裝正品,假一罰十!
【B】:完善的售后服務體系,常規型號24小時內迅速發貨,物流部門本著"安全、高效、快捷”的服務理念,可滿足客戶的各類物流需求。
1、廣東省內客戶可滿足上午發貨,下午送達,下午發貨,第二天早上送達。
2、省外客戶可提供即日達、隔日達、普通快遞、物流等服務,滿足客服多樣化的需求,為您提供快捷速遞服務的同時,為您節約物流成本。
3、國外客戶可提供國際海運集裝箱拼箱運輸服務,可提供貼嘜頭、固定卡板、打木架等個性化服務。
【C】:所有產品咨詢、報價、貨期三分鐘內及時響應,公司客服及銷售人員經過嚴格的產品知識培訓,能為您提供產品選型、產品報價、產品介紹等專業的售前技術咨詢,還可提供編程軟件免費下載、編程入門、視頻教學、 技術培訓等,為您解決后顧之憂,提供一站式的優質服務。
【D】:雄厚的技術實力, 擁有專業、高效的技術團隊,所有技術人員均已通過三菱專業技術工程師的考核,可幫助客戶進行PLC程序設計、觸摸屏程序設計、伺服系統編程與調試,工程總包等,并根據您的現場需要提供技術上門支持, 省內客戶接到技術請求后3小時即可上門,為您的企業自動化插上展翅飛翔的翅膀。
【E】:專業的維修工程師團隊,365天免費保修,修復時間快、48小時內為您排憂解難,提供詳盡的維修解決方案,為您提供高效的售后維修服務。




