三菱PLC以太網模塊FX3U-ENET-L的通訊設置方法
三菱PLC以太網模塊FX3U-ENET-L支持固定緩沖存儲區通訊、連接MELSOFT、通過MC系列通訊、電子郵件送信等功能。連接MELSOFT時,通過GX Work2可實現PLC程序的遠程維護。FX3U-ENET-L有個4個通訊通道,但只有兩個通道可以使用固定緩存,所以,主站PLC加一個以太網模塊用固定緩存只能和一個從站進行通訊。下面,海藍機電將以兩個PLC主從站之間通訊來講解以太網模塊的通訊設置方法。
? 主站PLC參數設置
1. 設置主站的IP地址為10.97.88.1
2. 主站打開設置
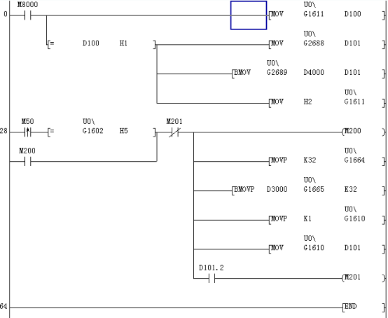
3. 主站PLC程序
? 從站PLC參數設置
1. 設置主站的IP地址為10.97.88.2
2. 從站打開設置
3. 從站PLC程序
深圳海藍機電15年專業從事原裝進口三菱plc、三菱變頻器、三菱觸摸屏、三菱伺服電機,機器人等三菱代理,備有現貨庫存達2000多種,只做原裝正品,不僅為您提供貨期最快捷的產品,更注重為您提供準確的現場技術服務!




評論信息