plc編程實例講解分析 你不容錯過的PLC知識
三菱PLC編程實例講解,你不容錯過的PLC知識。雖然快過年了,小編更新文章的腳步卻停不下來,需要學習三菱自動化的小伙伴請到聯系海藍這一欄目,添加管理員微信,進入三菱PLC技術交流群學習。好了,閑話不多講,進入正題。
學好plc不是一件容易的事,需要積累足夠的實例知識,這篇文章針對新手童靴,歡迎高手們一起討論。
控制輸出程序
等效控制輸出
輸出僅取決于控制輸入現狀態。
長效控制輸出
控制輸出不完全取決于輸入的現狀態,還與輸入的歷史有關。輸入對輸出有長效作用。
短效控制輸出
它的控制輸出也不完全取決于輸入的現狀態。其輸入對輸出僅有短暫的作用,故稱短效輸出。
單按鈕起停程序
單按鈕即時起、停程序
OMRON PLC b)三菱 PLC c、d)
西門子plc e)和利時PLC f)AB PLC
下圖所示程序也具有同樣的功能。只是這里用的是觸點先并后串。脈沖信號用微分指令生成。
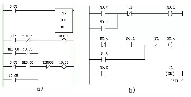
單按鈕短按起、長按(超過1s)停程序
上述單按鈕起、保、停梯形圖程序,是起、是停,容易“糊涂”。其實,完全可使用按鈕按下不同的時間,去區分是起還是停。
單按鈕短按起、長按(超過1秒)停程序
單按鈕長按(超過1s)起、短按停程序
a – OMRON PLC程序 b – 三菱 work2 軟件 PLC 程序
c – 施耐德 Unity Pro XL軟件PLC程序 d – 西門子 ST7軟件PLC 程序
單按鈕長按起(超過1秒)、短按停程序
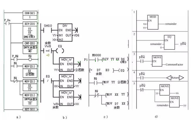
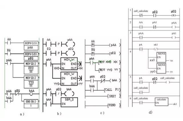
求公因數程序
求公因數歐幾里得的這個算法,如用表達式表達,則是:
OMRON PLC b)西門子PLC c)三菱 PLC d)和利時PLC
求兩個整數的公因數子程序
子程序,用以實現上述花括弧內的算法。
OMRON PLC b)西門子PLC c)三菱 PLC d)和利時PLC
求兩個整數的公因數主程序
主程序,用以實現上述花括弧外的算法。
文章到此已經結束了。弄清以上問題不是目的,目的是從中能對PLC程序有較具體的認識。本文只是為編程做準備,大家要根據問題再去學習相關算法,再在算法實例化中進一步熟悉基礎知識。這些過程反復循環,不斷提高,將使你的編程進入新的境界!
海藍機電為你提供機器人視覺、上位機軟件、自動化開發、機電設備維修等技術服務。
深圳市海藍機電設備有限公司(m.jxxwyz.com)專業經營:三菱PLC、三菱伺服電機、三菱變頻器、三菱觸摸屏等工控自動化產品的批發和代理工作。
電話:0755-88356296(10線) 吳經理:13823726967
本文原創自:深圳海藍機電設備有限公司,轉載請注明出處:http://m.jxxwyz.com/article/842.html.




評論信息